Varios amigos siempre me preguntan por un circuito para ponerle entradas a sus amplificadores y casi siempre les respondo que Google no muerde, pero, sin embargo los termino ayudando. Esta vez para que ya no se quejen más les presento 2 opciones para realizar entradas balanceadas a sus amplificadores.
Para entender mejor que clase de brujería es esta, citamos a uno de nuestros mejores amigos, “Wikipedia”.
El término línea balanceada es un anglicismo derivado de Balance, que significa equilibrio, por ello también se le conoce como línea equilibrada. Las líneas son equilibradas mediante transformadores o electrónicamente.
En una línea equilibrada se realiza mediante dos conductores, uno de ellos denominado vivo o caliente el cual porta la señal en fase (normalmente de color rojo), el otro denominado retorno o frío porta la señal desfasada 180º llamada contrafase (normalmente de color negro). Este par de conductores va cubierto por una malla conectada a masa. Con esta disposición, se logra mejorar la respuesta ante las interferencias que ofrece la línea no balanceada de audio. La diferencia entre ambas es considerable, pudiendo llegar a los 80 dB (más cuando se trata de líneas microfónicas de alta calidad).
Línea balanceada, las señales en ambos conductores están desfasadas 180º.
Dicha mejora se fundamenta en que si una interferencia logra atravesar la malla, induce el transitorio en ambos conductores en el mismo sentido. En el receptor, para desbalancear la línea, hay que invertir la señal que porta la contrafase y sumarla a la fase (o sea restar ambas señales) logrando así duplicar la amplitud de la señal resultante. Al invertir la contrafase, el transitorio queda invertido también, y al sumarlo con la fase, coincidiendo con el transitorio allí inducido, este se anula. En referencia a la intensidad tendríamos; que el transitorio inducirá una corriente (o ruido) de la misma magnitud en ambos conductores de la línea, pero como esta corriente inducida circula por los dos conductores en el mismo sentido, cuando se encuentran en el extremo receptor, se anulan mutuamente.
A este tipo de interferencia se la conoce como señal de modo común. Precisamente, en muchas especificaciones aparece como dato el CMRR que es la relación de rechazo del modo común (CMR) y como ha quedado dicho, su valor debe ser, al menos, de 80 dB.
Esta buena respuesta ante el ataque de interferencias es la razón por la que las líneas balanceadas se utilizan en el campo profesional.
Bien, ahora vamos a lo nuestro. Como sabrán, aparte de perseguirme los quejosos, me persiguen los tacaños, así que traigo una propuesta “económica” para tener entradas balanceadas.
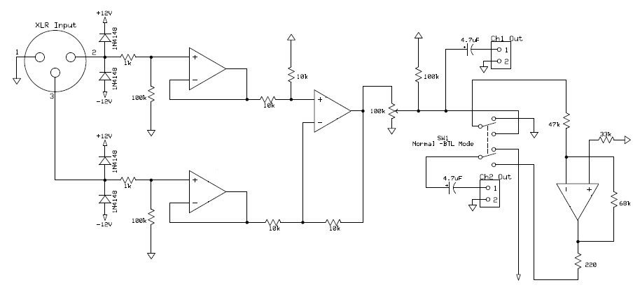
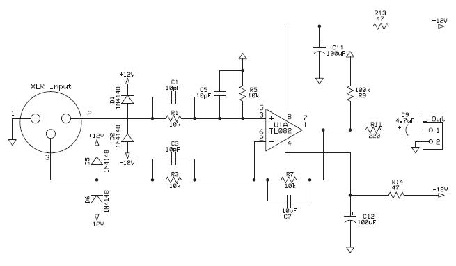
Como podrán notar usé uno único TL082, ya que tiene muy buena relación calidad/precio, y además le puse diodos de protección a la entrada del conector XLR.
Ahora algunos dirán: “Pero tío Ratmayor, yo no soy ni quejoso ni tacaño, ¿Como podría hacer mis amplificadores más profesionales de lo que ya de por sí son gracias a tu infinita sabiduría?”. Pues, para estos casos, diseñé una versión más profesional que utiliza buffers de entrada para mejorar la corriente de linea, haciéndolo mucho más estable. Como notarán el circuito es mucho más completo y además, me tomé la molestia de agregarle un selector de modo, para que les fuese posible usar el amplificador en modo estéreo y en modo puente (BTL).
Nótece en el diagrama que existe un inversor de línea para lograr la función bridge en nuestro amplificador y que al estar activado ese modo, el amplificador trabaja únicamente con el potenciómetro 1.
Solo queda agregar que estos 2 circuitos me han dado muchas satisfacciones y las uso en la mayoría de mis amplificadores ya que ambas son excelentes a la hora de requerir entradas balanceadas para ese toque profesional que tanto nos gusta.
Entradas Balanceadas (Sencilla)
Descargar proyecto desde Mediafire
Entradas Balanceadas (Profesional)
Descargar proyecto desde Mediafire
Características
Alimentación: ±12V / 300mA MAX
Rango de frecuencias: 5Hz ~ 80Khz
T.H.D.: 0.001% ~ 1KHz
Hola ch1 y ch2 se conectan a la tarjeta Booster directo? Gracias
Y sirve solamente para micrófonos ? O se puede conectar una consola a estas salidas (cosa que no se pero me parece que no) igual quiero despejar dudas ?
Y si se puede, una consola que no tenga estas salidas de audio como se conectan?
Sí…
saludos tio rat muy buen aporte gracias por compartir una pregunta y espero que perdones mi ignorancia si este proyacto se lo pongo al udp x9 de tu autoria como saco 3 cables para que sea balanceada de antemano mil gracias
Para eso necesitarías el circuito de entradas balanceadas que tambien está en el blog…
Si mi tarjeta draiver tiene para ponerle entrada balanceada osea señal+.señal – y tierra como le conecto el circuito
No entendí…
Hola Carlos, tengo una duda en el diagrama esquemático las resistencias r5 r6 r7 y r8 tienen valor de 100k, pero en el impreso del lado de los componentes dicen 47k, cuál de los 2 valores está equivocado ?
Hazlo como en el PCB. Saludos
Ratmayor excelente proyecto!! me gustaria que me explicaras un poco para que son los jack ? son entradas??? si puedes enviame una fotos a mi correo.
Se usa especialmente en sonido profesional ya que tienen la particularidad de rechazar el ruido, mientras que el jack deja pasar todo lo que se encuentre..