Úvod: Menič se hodí k bateriovému napájení síťových spotřebičů se spínaným zdrojem. Protože ve spínaném zdroji je napětí hned na začátku usměrněno, tak není nutné složitě vytvářet střídavé napětí. Stačí, když takový spotřebič je napájen SS napětím odpovídajícím amplitudě síťového napětí.
Použití: Měnič lze použít k napájení spotřebičů se spínaným zdrojem, které pracují pouze s usměrňováním a vyhlazením síťového napětí. Nehodí se k napájení indukčních a kapacitních zátěží, tj. spotřebičů s klasickým transformátorem, indukčních motorů apod. Lze jím napájet všechny spínané zdroje, které nemají pomocné klasické trafo a nezískávají pomocné napětí ani kapacitním či odporovým srážením z napětí před usměrňovačem. U CRT Monitorů a TV může být problém s odmagnetováním. Pro odporové spotřebiče (žárovky, telepné spotřebiče) a pro sériové (univezální) motory (tj. motory s komutátorem) lze měnič také použít, ale je nutno upravit napětí na 230V SS. Většina spínaných zdrojů pracuje i při 230V SS a tak je lze používat spolu s odporovými zátěžemi. Pro zátěže s větším zvlněním usměrněného napětí a bez regulace (např. úsporky) je vhodné nastavit o něco méně, než 325V, aby napětí odpovídalo efektivní hodnotě zvlněného napětí (dejme tomu 280V). Zapojení měniče ale můžete využít i jako základ spínaného měniče (doplněním o střídací můstek).
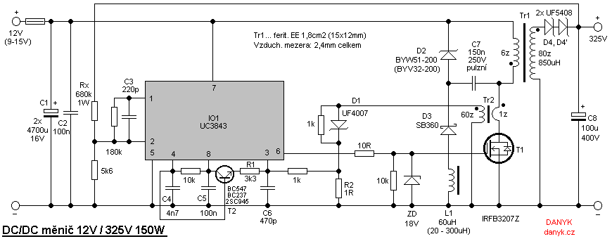
Popis zapojení: Obvod pracuje na principu blokujícího zdroje (meniče). Maximální výkon měniče je 150W. Řídícím obvodem je integrovaný obvod IO1 - UC3843. Spínací prvek je tranzistor T1. Zdroj pracuje v módu nespojitého (přerušovaného) proudu (DCM), což snižuje ztrátu zpětného zotavení diod D4 a D4'. Tyto ultrarychlé diody slouží k usměrnění sekundárního napětí. Proud je snímán pomocí proudového trafa Tr2, protože přímým snímáním by docházelo k příliš vysoké ztrátě. Měnič pracuje se střídou nad 50%, která je pro transformátorové měniče s malým vstupním napětím vhodnější (delší impulz o menším proudu vyvolá na MOSFETu menší ztrátu než kratší impulz o větším proudu). Kvůli střídě nad 50% je měnič vybaven kompenzací sklonu (strmosti) s T2 a R1 (v datasheetu UC3842-5 označováno jako "slope compensation"). Napěťové špičky na primáru jsou tlumeny bezeztrátovým tlumícím článkem DCDL s D2, C7, D3, L1. Výhodou oproti klasickému RCD článku je daleko menší ztráta a navíc i omezování du/dt na MOSFETu T1. Jako T1 lze použít jakýkoliv dostatečně rychlý MOSFET N s Uds = 75V a více, s vodivým odporem do 5mR. Menší kapacita gejtu je výhodou. Já jsem použil IRFB3207Z. T1 je umístěn na dostatečný chladič. Dioda D2 by měla mít malý chladič, případně může být na společném chladiči s T1 nebo být přiletována ploškou na DPS. Ostatní součástky jsou bez chladiče. Feritový transformátor Tr1 má jádro se středním sloupkem 12x15mm, průřez tedy je 1,8cm2. Mezera je po stranách 0,8mm a uprostřed 1,6mm, tedy celkem 2,4mm. Nejprve vineme polovinu sekundáru, tedy 40z, dvěma lakovanými měděnými dráty průměru 0,35 - 0,4mm (mně vyšla na 2 vrstvy). Poté vineme primár, tedy 6 závitů patnácti dráty průměru cca 0,5mm (3 vrstvy po pěti drátech). Nakonec vineme druhou polovinu sekundáru stejně jako tu první. Vinutí i jejich jednotlivé vrstvy od sebe vždy izolujeme. Dělení sekundáru snižuje rozptyl. L1 je železoprachová tlumivka, indukčnost není kritická. Lze použít i hotovou tlumivku ze spínaných zdrojů či aktivního PFC. Průměr drátu může být jakýkoliv od cca 0,8mm. Proudové trafo Tr2 je na malém feritovém kroužku, primár má 1z a sekundár 60z. Rozměry jádra nejsou kritické. Pokud by byl počet závitů jiný, lze přizpůsobit hodnotu bočníku R2. Pracovní frekvence měniče je cca 40kHz. Účinnost je více než 90% při plném výkonu.
Pozor!!! Měnič musí být jištěn vhodnou pojistkou. Přestože napájecí napětí měniče je bezpečné, jeho výstupní napětí je smrtelně nebezpečné. Výstupní kondenzátor může zůstat nabitý na nebezpečné napětí i po vypnutí. Měnič je vhodný jen pro některé spotřebiče. Vše děláte na vlastní nebezpečí. Za žádné vaše újmy neberu zodpovědnost.
Schéma DC/DC měniče 12V / 325V, 150W
Testování hotového DC/DC měniče žárovkami.
Hotový DC/DC měnič 12V - 325V. Dva škrtnuté tranzistory nejsou zapojeny. Ten velký slouží jako držák chladiče
.
Měnič na pokusné desce, test právě navinutého trafa Tr1 (pozn.: na desce jsou vidět i součástky, které nejsou vůbec zapojeny).
Tr1 před převinutím
Převíjení Tr1
Feritové jádro Tr1
Převinutý Tr1
Použití: Měnič lze použít k napájení spotřebičů se spínaným zdrojem, které pracují pouze s usměrňováním a vyhlazením síťového napětí. Nehodí se k napájení indukčních a kapacitních zátěží, tj. spotřebičů s klasickým transformátorem, indukčních motorů apod. Lze jím napájet všechny spínané zdroje, které nemají pomocné klasické trafo a nezískávají pomocné napětí ani kapacitním či odporovým srážením z napětí před usměrňovačem. U CRT Monitorů a TV může být problém s odmagnetováním. Pro odporové spotřebiče (žárovky, telepné spotřebiče) a pro sériové (univezální) motory (tj. motory s komutátorem) lze měnič také použít, ale je nutno upravit napětí na 230V SS. Většina spínaných zdrojů pracuje i při 230V SS a tak je lze používat spolu s odporovými zátěžemi. Pro zátěže s větším zvlněním usměrněného napětí a bez regulace (např. úsporky) je vhodné nastavit o něco méně, než 325V, aby napětí odpovídalo efektivní hodnotě zvlněného napětí (dejme tomu 280V). Zapojení měniče ale můžete využít i jako základ spínaného měniče (doplněním o střídací můstek).
Popis zapojení: Obvod pracuje na principu blokujícího zdroje (meniče). Maximální výkon měniče je 150W. Řídícím obvodem je integrovaný obvod IO1 - UC3843. Spínací prvek je tranzistor T1. Zdroj pracuje v módu nespojitého (přerušovaného) proudu (DCM), což snižuje ztrátu zpětného zotavení diod D4 a D4'. Tyto ultrarychlé diody slouží k usměrnění sekundárního napětí. Proud je snímán pomocí proudového trafa Tr2, protože přímým snímáním by docházelo k příliš vysoké ztrátě. Měnič pracuje se střídou nad 50%, která je pro transformátorové měniče s malým vstupním napětím vhodnější (delší impulz o menším proudu vyvolá na MOSFETu menší ztrátu než kratší impulz o větším proudu). Kvůli střídě nad 50% je měnič vybaven kompenzací sklonu (strmosti) s T2 a R1 (v datasheetu UC3842-5 označováno jako "slope compensation"). Napěťové špičky na primáru jsou tlumeny bezeztrátovým tlumícím článkem DCDL s D2, C7, D3, L1. Výhodou oproti klasickému RCD článku je daleko menší ztráta a navíc i omezování du/dt na MOSFETu T1. Jako T1 lze použít jakýkoliv dostatečně rychlý MOSFET N s Uds = 75V a více, s vodivým odporem do 5mR. Menší kapacita gejtu je výhodou. Já jsem použil IRFB3207Z. T1 je umístěn na dostatečný chladič. Dioda D2 by měla mít malý chladič, případně může být na společném chladiči s T1 nebo být přiletována ploškou na DPS. Ostatní součástky jsou bez chladiče. Feritový transformátor Tr1 má jádro se středním sloupkem 12x15mm, průřez tedy je 1,8cm2. Mezera je po stranách 0,8mm a uprostřed 1,6mm, tedy celkem 2,4mm. Nejprve vineme polovinu sekundáru, tedy 40z, dvěma lakovanými měděnými dráty průměru 0,35 - 0,4mm (mně vyšla na 2 vrstvy). Poté vineme primár, tedy 6 závitů patnácti dráty průměru cca 0,5mm (3 vrstvy po pěti drátech). Nakonec vineme druhou polovinu sekundáru stejně jako tu první. Vinutí i jejich jednotlivé vrstvy od sebe vždy izolujeme. Dělení sekundáru snižuje rozptyl. L1 je železoprachová tlumivka, indukčnost není kritická. Lze použít i hotovou tlumivku ze spínaných zdrojů či aktivního PFC. Průměr drátu může být jakýkoliv od cca 0,8mm. Proudové trafo Tr2 je na malém feritovém kroužku, primár má 1z a sekundár 60z. Rozměry jádra nejsou kritické. Pokud by byl počet závitů jiný, lze přizpůsobit hodnotu bočníku R2. Pracovní frekvence měniče je cca 40kHz. Účinnost je více než 90% při plném výkonu.
Pozor!!! Měnič musí být jištěn vhodnou pojistkou. Přestože napájecí napětí měniče je bezpečné, jeho výstupní napětí je smrtelně nebezpečné. Výstupní kondenzátor může zůstat nabitý na nebezpečné napětí i po vypnutí. Měnič je vhodný jen pro některé spotřebiče. Vše děláte na vlastní nebezpečí. Za žádné vaše újmy neberu zodpovědnost.

Schéma DC/DC měniče 12V / 325V, 150W

Testování hotového DC/DC měniče žárovkami.

Hotový DC/DC měnič 12V - 325V. Dva škrtnuté tranzistory nejsou zapojeny. Ten velký slouží jako držák chladiče


Měnič na pokusné desce, test právě navinutého trafa Tr1 (pozn.: na desce jsou vidět i součástky, které nejsou vůbec zapojeny).

Tr1 před převinutím

Převíjení Tr1

Feritové jádro Tr1

Převinutý Tr1
Eklentiler
Son düzenleyen: Moderatör: