Данная конструкция является более миниатюрной модификацией "Дистанционно управляемого радиомикрофона". Благодаря современной элементной базе, а в частности контроллеров имеющих "на борту" передатчик с ФАПЧ и приемных модулей фирмы RFM, простор для реализации идей увеличивается, а размеры становятся меньше. Устройство представляет собой "пару", состоящую из пульта управления радиомикрофоном и собственно радиомикрофона.
Пульт управления радиомикрофоном.

Представляет собой передатчик, работающий в режиме 100% АМ на частоте 418 МГц.
Управляется контроллером, формирующим кодовые посылки.
Время работы после любого нажатия кнопки 7 сек.
Кн 1 – включает радиомикрофон на передачу на 1 минуту.
Кн 2 – включает радиомикрофон на передачу на 10 минут.
Кн 3 – включает радиомикрофон на передачу на 20 минут.
Полезная мощность около 15 мВт. Ток в режиме передачи 20 мА.
Собственно радиомикрофон.

На нем стоит остановиться поподробнее…
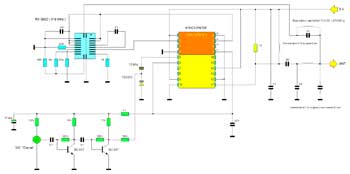
Он состоит из приемной части, реализованной на микросборке RFM RX 5002 ( 418 МГц ), дешифратора команд пульта и одновременно передатчика на rfPIC 12F 675 F , совмещенных в одном корпусе.
Микросхема rfPIC 12F 675 F имеет несколько модификаций, отличающихся только возможной частотой передатчика, задаваемой внешним кварцевым резонатором.
При этом частота на выходе будет в 32 раза больше частоты внешнего кварца.
rfPIC 12F 675 К ( диапазон излучаемых частот от 290 МГц до 350 МГц )
rfPIC 12F 675 F ( диапазон излучаемых частот от 390 МГц до 450 МГц )
rfPIC 12F 675 H ( диапазон излучаемых частот от 850 МГц до 930 МГц )
Несмотря на общий корпус rfPIC 12F 675 не имеет электрических соединений с собственным передатчиком а его процессорная часть полностью идентична обычному PIC 12F 675.
Следовательно при "прошивании" (например программой IC Prog), нужно выбирать в окне наименования программируемой микросхемы - PIC 12F 675.
Соответствие выводов rfPIC 12F 675 F выводам PIC 12F 675 (желтый цвет) видны на принципиальной схеме.
Алгоритм работы устройства. Абсолютно такой же как и в "Дистанционно управляемом радиомикрофоне" описанном ранее.
Микрофон "спит" 5 сек (ток при этом 50 мкА), затем "просыпается" и включает на 1 сек приемную часть ( ток при этом 2,5 мА), ждет сигнала включения, затем снова "засыпает". Цикл повторяется постоянно, пока не будет принята соответствующая команда.
В этом устройстве предусмотрено также и "прямое" управление (в режиме реального времени) , как и в предыдущей конструкции, если вывод 3 контроллера rfPIC 12F 675 F соединить с общей шиной. Однако в данной конструкции этот режим использовать нецелесообразно из –за малой разницы приемной RX 5002 ( 418 МГц ) и передающей ( 416 МГц ) частот.
Режим реального времени пожалуй будет уместен если применить более высокочастотный rfPIC 12F 675 H ( 850 МГц - 930 МГц ), тогда при помощи фильра – пробки появится возможность « развести » приемник и передатчик, работающие в одну антенну.
В режиме передачи потребляемый ток – 15 мА.
Настройка.
Как видно из принципиальной схемы в настройке устройство практически не нуждается.
Стоит только подобрать емкость на входе микрофонного усилителя (0,1 мкФ) , влияющую на его частотную характеристику и девиацию частоты ( резистор 100 к ) соединенный с варикапом.
Данный вариант устройства уверенно прослушивался в режиме УЧМ сканером VR – 120 на удалении более 200 м.
Прошивка контроллера rfPIC 12F 675 F (это же относится и к PIC 12F 675).
Во время "заливки" файла прошивки в микросхему ( рассматривается программа IC Prog ) часто допускается непростительная ошибка – потеря внутренней калибровочной константы (стирание ее по невнимательности), что не влечет за собой порчи контроллера, однако устройство может оказаться неработоспособно.
Для того , чтобы корректно прошить микросхему нужно…
1 ) Свежекупленный контроллер прочитать.
В последней ячейке памяти программ будет находится цифра (например 3488 , как на рисунке)
2 ) Записать эту цифру на листе бумаги.
3 ) Открыть файл с расширением НЕХ ( прошивку).
4 ) Заглянуть в открытом файле в последнюю ячейку памяти программ.
Там будет пусто (3FFF), ибо файл НЕХ (прошивки) не содержит информации о константе для внутреннего генератора пика , так как она индивидуальна почти для каждого кристалла и вносится на заводе – изготовителе.
5 ) Переписать то, что на бумаге в последнюю ячейку памяти программ.
То есть поставить константу на место в уже открытом НЕХ – е.
6 ) Записать НЕХ с константой в контроллер.
Причем никаких установок битов конфигурации менять не надо (это "птички" напротив слов WDT , PWRT и так далее). Эти установки уже "прописаны" в файле прошивки и при его открытии сами станут как нужно.
Пульт управления радиомикрофоном.

Представляет собой передатчик, работающий в режиме 100% АМ на частоте 418 МГц.
Управляется контроллером, формирующим кодовые посылки.
Время работы после любого нажатия кнопки 7 сек.
Кн 1 – включает радиомикрофон на передачу на 1 минуту.
Кн 2 – включает радиомикрофон на передачу на 10 минут.
Кн 3 – включает радиомикрофон на передачу на 20 минут.
Полезная мощность около 15 мВт. Ток в режиме передачи 20 мА.


Собственно радиомикрофон.

На нем стоит остановиться поподробнее…
Он состоит из приемной части, реализованной на микросборке RFM RX 5002 ( 418 МГц ), дешифратора команд пульта и одновременно передатчика на rfPIC 12F 675 F , совмещенных в одном корпусе.
Микросхема rfPIC 12F 675 F имеет несколько модификаций, отличающихся только возможной частотой передатчика, задаваемой внешним кварцевым резонатором.
При этом частота на выходе будет в 32 раза больше частоты внешнего кварца.
rfPIC 12F 675 К ( диапазон излучаемых частот от 290 МГц до 350 МГц )
rfPIC 12F 675 F ( диапазон излучаемых частот от 390 МГц до 450 МГц )
rfPIC 12F 675 H ( диапазон излучаемых частот от 850 МГц до 930 МГц )
Несмотря на общий корпус rfPIC 12F 675 не имеет электрических соединений с собственным передатчиком а его процессорная часть полностью идентична обычному PIC 12F 675.
Следовательно при "прошивании" (например программой IC Prog), нужно выбирать в окне наименования программируемой микросхемы - PIC 12F 675.
Соответствие выводов rfPIC 12F 675 F выводам PIC 12F 675 (желтый цвет) видны на принципиальной схеме.


Алгоритм работы устройства. Абсолютно такой же как и в "Дистанционно управляемом радиомикрофоне" описанном ранее.
Микрофон "спит" 5 сек (ток при этом 50 мкА), затем "просыпается" и включает на 1 сек приемную часть ( ток при этом 2,5 мА), ждет сигнала включения, затем снова "засыпает". Цикл повторяется постоянно, пока не будет принята соответствующая команда.
В этом устройстве предусмотрено также и "прямое" управление (в режиме реального времени) , как и в предыдущей конструкции, если вывод 3 контроллера rfPIC 12F 675 F соединить с общей шиной. Однако в данной конструкции этот режим использовать нецелесообразно из –за малой разницы приемной RX 5002 ( 418 МГц ) и передающей ( 416 МГц ) частот.
Режим реального времени пожалуй будет уместен если применить более высокочастотный rfPIC 12F 675 H ( 850 МГц - 930 МГц ), тогда при помощи фильра – пробки появится возможность « развести » приемник и передатчик, работающие в одну антенну.
В режиме передачи потребляемый ток – 15 мА.
Настройка.
Как видно из принципиальной схемы в настройке устройство практически не нуждается.
Стоит только подобрать емкость на входе микрофонного усилителя (0,1 мкФ) , влияющую на его частотную характеристику и девиацию частоты ( резистор 100 к ) соединенный с варикапом.
Данный вариант устройства уверенно прослушивался в режиме УЧМ сканером VR – 120 на удалении более 200 м.
Прошивка контроллера rfPIC 12F 675 F (это же относится и к PIC 12F 675).
Во время "заливки" файла прошивки в микросхему ( рассматривается программа IC Prog ) часто допускается непростительная ошибка – потеря внутренней калибровочной константы (стирание ее по невнимательности), что не влечет за собой порчи контроллера, однако устройство может оказаться неработоспособно.
Для того , чтобы корректно прошить микросхему нужно…
1 ) Свежекупленный контроллер прочитать.
В последней ячейке памяти программ будет находится цифра (например 3488 , как на рисунке)
2 ) Записать эту цифру на листе бумаги.
3 ) Открыть файл с расширением НЕХ ( прошивку).
4 ) Заглянуть в открытом файле в последнюю ячейку памяти программ.
Там будет пусто (3FFF), ибо файл НЕХ (прошивки) не содержит информации о константе для внутреннего генератора пика , так как она индивидуальна почти для каждого кристалла и вносится на заводе – изготовителе.
5 ) Переписать то, что на бумаге в последнюю ячейку памяти программ.
То есть поставить константу на место в уже открытом НЕХ – е.
6 ) Записать НЕХ с константой в контроллер.
Причем никаких установок битов конфигурации менять не надо (это "птички" напротив слов WDT , PWRT и так далее). Эти установки уже "прописаны" в файле прошивки и при его открытии сами станут как нужно.

Eklentiler
-
radiomic119_radiomic119.rar16,6 KB · Görüntüleme: 5
-
radiomic119.pdf166,7 KB · Görüntüleme: 6
-
radiomic119-3.jpg19,9 KB · Görüntüleme: 4
-
radiomic119-4.jpg13,4 KB · Görüntüleme: 2
-
radiomic119-7.jpg27,5 KB · Görüntüleme: 2
-
radiomic119-8.jpg22,8 KB · Görüntüleme: 5
-
radiomic119-2.gif17,5 KB · Görüntüleme: 5
-
radiomic119-6.gif31,1 KB · Görüntüleme: 5
Son düzenleme: