This circuit is a microphone preamplifier with build in audio compressor.
It is used in a recording set for reporters.
The audio recordings are made with a portable minidisc recorder, which is connected to the preamplifier.
The compressor function reduces the dynamic range of the recordings by halve.
So, a level change of 10 dB at the input, gives a level change of 5 dB at the output.
Through this, weak sounds are extra amplified, and loud sounds are less amplified.
The recording level will become fairly constant, without the risk of overload (and distortion) through very loud sounds.
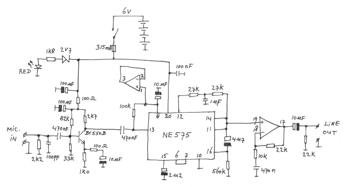
Circuit diagram of the microphone preamplifier.
The transistor BC550B amplifies the microphone signal 20 times.
First I used the unused opamp (pin 1, 2 and 3) of the NE575 to amplify the microphone signal, but this gives too much noise.
The BC550B transistor has a much lower noise.
The NE575 provides the compressor function, the datasheet of the NE575 can be found here: NE575.pdf
The 560k resistor at pin 16 limits the maximum gain of the circuit, this prevents that at very weak passages, the noise is amplified to an audible level.
The used microphone gives about 2 mV rms at normal speech in the microphone, and 20 mV rms at loud speech.
The output signal of the circuit is at loud signals about line-level (0.7 V rms).
Also if one shouts loudly into the microphone, the recording at the minidisc is not overloaded.
The two opamps in the circuit diagram are also part of the NE575.
The circuit is powered by 4 penlite batteries, the current consumption is about 6 mA.
As long as the red led gives light, the batteries have enough voltage.
The circuit build in an aluminium box.
The complete recording set, the preamplifier is located below the minidisc recorder.
It is used in a recording set for reporters.
The audio recordings are made with a portable minidisc recorder, which is connected to the preamplifier.
The compressor function reduces the dynamic range of the recordings by halve.
So, a level change of 10 dB at the input, gives a level change of 5 dB at the output.
Through this, weak sounds are extra amplified, and loud sounds are less amplified.
The recording level will become fairly constant, without the risk of overload (and distortion) through very loud sounds.
Circuit diagram of the microphone preamplifier.
The transistor BC550B amplifies the microphone signal 20 times.
First I used the unused opamp (pin 1, 2 and 3) of the NE575 to amplify the microphone signal, but this gives too much noise.
The BC550B transistor has a much lower noise.
The NE575 provides the compressor function, the datasheet of the NE575 can be found here: NE575.pdf
The 560k resistor at pin 16 limits the maximum gain of the circuit, this prevents that at very weak passages, the noise is amplified to an audible level.
The used microphone gives about 2 mV rms at normal speech in the microphone, and 20 mV rms at loud speech.
The output signal of the circuit is at loud signals about line-level (0.7 V rms).
Also if one shouts loudly into the microphone, the recording at the minidisc is not overloaded.
The two opamps in the circuit diagram are also part of the NE575.
The circuit is powered by 4 penlite batteries, the current consumption is about 6 mA.
As long as the red led gives light, the batteries have enough voltage.
The circuit build in an aluminium box.
The complete recording set, the preamplifier is located below the minidisc recorder.