Profesyonel laboratuvar BP şeması
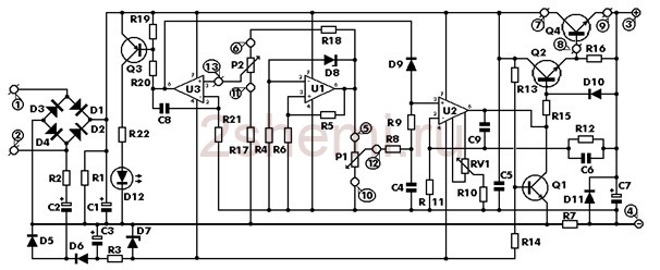
0-30 V güç sağlayabilen bir laboratuvar güç kaynağı için çok popüler bir güç kaynağı devresi, bazı Çinli tedarikçilerin PCB de dahil olmak üzere tüm detayları içeren bir kiti yaklaşık 10 $ gibi cazip bir fiyatla piyasaya sürdüğü ilgi çekiciydi. İşte bu ayarlanabilir güç kaynağının orijinal şeması:
Devre kesinlikle iyi, ama çok eski, bu yüzden modernizasyonu yapıldı: LCD ekran eklendi, ekranı kullanan mevcut ayar mekanizması değiştirildi, böylece cihazı test edilen bağlantıya bağlamadan önce mevcut limit modunu ayarlayabilirsiniz. İki dengeleyici bir defada monte edilir, böylece gerektiğinde daha fazla akım elde etmek için paralel olarak bağlanabilir veya ayarlanabilir çift voltaj + 0-30 V / kütle / -0-30 V veya voltaj 0-60 V elde etmek için seri olarak bağlanabilir. bir kaynak diğerini kontrol ettiğinde.
Kit ile birlikte verilen şemanın parça listesi, tüm değişiklik ve ilaveler ile birlikte makalenin sonunda verilmiştir. Bu listeden D7 kullanmayacağız ve D8 60 mA kayması gerektiren 1N4733A 5V1 zener diyodudur. Bu tip Zener diyot BZX55C5V6 veya BZX79C5V6 ile değiştirelim, çünkü iki taraflı akım sadece 5 mA. OU U1, referans voltajını, zener diyodunun voltajı olarak iki kez - 11.2 V olarak ayarlayacaktır. D8 için gerekli 5 mA ofseti ile, R4, 4K7 değil 1K olmalıdır.
Maksimum akımı 1 veya 1,5 A ile sınırlamak gerektiğinden, R18'i yeniden hesaplamak gerekir. Her durumda bu direnç, orijinal tasarımda yanlış değere (56K) sahipti.
Ayrıca voltaj ve akımın dijital göstergesini koymanız gerekir. Çalışma voltaj aralığı 3,5 ile 30 VDC arasındadır. Aşırı gürültüyü önlemek için bu ekranların güç kaynağından elektriksel olarak izole edilmesi gerektiğini lütfen unutmayın. Bir alternatif, bunu önlemek için besleme voltajı devresinde iyi filtrelemedir.
Bu ekranlar büyük akımlarla çalışabilir - iç şönt ile 10 A'ya kadar. Kırmızı kablo, güç kaynağının çıkışına bağlanır ve voltaj ölçme girişidir. Bu cihaz, sarı ve siyah teller arasına bağlanan dahili bir şönt rezistöre sahiptir. Kolaylaştırmak için siyah kabloyu güç kaynağının eksi çıkışına (4) bağlarız ve sarı kablo yeni eksi çıktısı haline gelir.
Gerilimi ve akımı ayarlamak (ayarlamak) için göstergenin arka panelinde iki kesme direnci vardır. Güç kaynağı voltajını doğru bir şekilde ayarlamak için bir referans cihazı kullanın.
Farklı boyutlardaki transformatörleri kullanabilir ve bunları birkaç dengeleyici için kullanabilirsiniz (bipolar BP montajı için).
Güç kaynağıyla yapılan tüm değişikliklerden ve denemelerden sonra, akım limit ayarını gösterecek bir yol eklemek gerekli hale geldi, böylece sabit bir akım / akım limiti ayarlayabilmeniz için güç kaynağı ünitesine küçük bir devre ekledim.
İşte geliştirilmiş bir şema:

Ve bu, kitle birlikte verilen ancak değişiklik ve eklerle birlikte verilen orijinal parça listesidir:
R1 = 2K2 1W 2W
sürümüyle değiştirildi R2 = 82R 2W sürümüyle değiştirildi
R3 = 220R Gerekli değil (LM337 ile değiştirildi)
R4 = 4K7 Değer 1K olarak değiştirildi
R5, R6, R13, R20, R21 = 10K değeri
R7 gerekli değil , R7 = 0, 47R 5W
R8, R11 = 27K
R9, R19 = 2K2
R10 = 270K Değer 1K olarak değiştirildi
R12, R18 = 56K R18 cm Metin
R14 = 1K5 Gerekli değil
R15, R16 = 1K
R17 = 33R Değer 68R olarak değiştirildi
R22 = 3K9 Değer 1K5
RV1 = 100K 10 düzelticiye değiştirildi, 5K 10 döner düzeltici
P1 ile değiştirildi, P2 = 10K doğrusal P1 yerine 10 döner düzeltici verildi
C1 = 3300 μF / 50 V
C2, C3 47 μF / 50 V
C4 = 100 nF
C5 = 220 nF
C6 = 100 pF
C7 = 10 μF / 50 V
C8 = 330 pF
C9 = 100 pF
D1, D2, D3, D4 = 1N5408D5
, D6, D9, D10
= 1N4148 D7, D8 = 1N4733A, Zener diyodu 5V1, D8 = BCX55C5V6, D7 gerekli değil
D11 = 1N4004
Q1 = 2SD9014
Q2 = 2SD882
Q3 = 2SD9015
Q4 = 2SD1047 Gerekli değil
U1, U2, U3 = TL081 3x ile değiştirildi TLE2141
U4 = LM7824 LM7812 ile değiştirildi
D12 = Kırmızı LED
Ek detaylar:
R23, R27 = 4K7
R24 = 1K
R25 = 240R
R26 = 10R
RV2 = 2K
RV3 = 200K veya 250K (isteğe bağlı olarak)
U5 = TLE 2141 yılında
U6 = LM337
C11 = 47 uF / 25 V
, C12 = 3300 uF / 50 V
C 13 = 22 µF / 10 V
D13 = 10 V 1 W
D14 = Yeşil LED
D15 = Kırmızı LED
Volt / Amper Göstergesi
S1 Çift Yönlü Anahtar
S2 Düğmesi
Güç Kaynağı Testleri
Görünüşe göre, ölçülen gürültünün çoğu V / A ölçer ekranından geliyor. Bu göstergede duran nabız kontrol cihazı, güç kaynağına geri çok fazla ses veriyor. Bu sorunları çözmek için, kitin bir parçası olan LM7824'ün kullanımına geri dönelim ve U3, U5 ve Q3 için güç oluşturmak için kullanılan 10 V zener diyotu D10 yerine uygulayalım.
Ekrandaki gürültü sızıntısını gidermek için, gücü azaltmak ve ekranı açmak için D10'u kullanın.
Ayrıca mevcut ekran şöntünü çıkış terminalinden geçerli geribildirim döngüsünün dışına taşıyın. Bu biraz daha fazla gürültüyü azalttı ve ayarlamayı daha doğru hale getirdi. Şönt geri besleme döngüsünün içinde olduğundan, yüksek akımlardaki şönt boyunca voltaj bir hata yarattı. Küçük, çünkü şant sadece 25 mΩ, fakat yine de yaratıyor.
Baskılı devre kartındaki yüksek akımları mümkün olduğunca ortadan kaldırmak için, Q4 ve Q3 kolektörlerini doğrudan D1 ve D2 katotlarının ve filtre kapasitörlerinin C1 ve C2'nin birleştirildiği noktaya bağlarız.
Maksimum çıkış gerilimini (RV2) ve maksimum çıkış akımını (RV3) ayarlamak için ek düzelticiler de kuracağız. Maksimum akım limitini ayarlamak önemlidir. Kondenser C16, gürültüyü ortadan kaldırmak için de kullanılır.
D14 ve D15 LED'leri şimdi 24 V veriyoluna bağlı olduğundan, akım sınırlayıcı dirençleri (R27 ve R23) iki katına çıkmalıdır.
Son olarak, C7 çıkış kapasitörü 10 μF'den 470 μF'ye yükseltilmiştir. İşte en son değişikliklerin yapıldığı son düzen:

Güç açma süresi şimdi yaklaşık 5 msn'dir ve bozulma süresi, maksimum voltajda ve dinamik elektronik yük ile ölçülen akımda yaklaşık 2 msn'nin üzerindedir.
Tüm bu değişikliklerle, çıkış gürültüsü şimdi tüm voltaj ve akım spektrumu boyunca 18 mV'dir ve daha da önemlisi CC / CL modunda bu seviyede kalır.
Ve bir ek ilave daha: paralel bir transistör (2SD1047) takılı ve güç kaynağı daha fazla akıma dayanabilecek şekilde değiştirildi. Daha yüksek akımlarda, onu soğutmak için bir fana da ihtiyacınız vardır, bu yüzden ana devreye de eklendi.
Sonunda monte edilen trafo 3.5 A'da 15-0-15 V'tur. 10 A'da 600 V'luk bir voltajlı diyot köprüsü seçilerek, bir soğutma radyatörü üzerine monte edilebilir. Biraz yedekli, ancak bunun nedeni ana filtre kondansatörlerindeki ani akımlardan kaynaklanıyor. İki 3300 uF bu akımlar için uygun değildir, bu nedenle 63 V gerilimde 2 x 10 000 uF monte edilir.
Çanta bir ana şalter, sigorta ve güç göstergesi ile donatılmıştır. Ayrıca, AC 15-0-15 transformatöründen, anahtarı çeşitli amaçlarla kullanmak için ön paneldeki jaklara da verilir.
Daha sonra, iki dengeleyiciyi birleştirmek için basit ama etkili bir yol bulmayı başardık ve +30 0 -30 V'luk bir voltaj veya +60 V'luk bir güç kaynağı oluşturduk.
Prensip basittir: bir güç kaynağının 0 V çıkışını saniyenin + 0-30 V çıkışına bağlarsanız, aslında +30 0-30 V veya 0-60 V güç kaynağı oluşturabilirsiniz, ancak bu değerleri ayarlamak için her iki voltaj metresini ayarlamanız gerekir, ancak Alternatif voltajlı bir devreyi ölçmek istiyorsanız, bir takip mekanizmasına ihtiyacınız vardır.
İşin püf noktası, diğerinin ayarlarına bağlı olarak bir kaynağın voltaj ayarını yapmaktır. Farklı yöntemlerle yapılan deneylerden sonra, sonunda aşağıdaki şemada durduk:
Anahtar R41, ana cihazdaki voltaj ayarının bağımlı cihazdaki çıkış voltajıyla aynı olacak şekilde ayarlanmalıdır. Düğmeye giden sinyal, 11V2 referans voltajına yakın olacaktır.
Soldan sağa: Q4, Q3 ve LM7812. Q4 ve Q3 izole edilir, LM radyatörü topraklanır, bu yüzden ona ihtiyaç duymaz.
En iyi izleme doğruluğu, her iki güç kaynağı da diyagramda olduğu gibi +/- modunda 30 V olarak ayarlanmışsa elde edilebilir. Daha sonra anahtarı izleme moduna geçirebilir ve köle 30 V okuyana kadar R41'i ayarlayabilirsiniz. İzlemenin 5 V altına düşene kadar (yaklaşık% 1) oldukça doğru olduğunu fark edeceksiniz, daha sonra senkronizasyondan daha fazla çıkacaktır. 1 V'da yaklaşık 200 mV'ye kadar olmalıdır. Bu, her iki işlemsel yükselticinin U2 kazanç doğrusallığındaki farktan kaynaklanıyor olmalıdır. Prensip olarak, bu doğruluk oldukça iyidir.
Ayrıca, master içindeki algılama direnci arasındaki bağlantı slave'e bağlı değilse veya anahtar bir konumdan diğerine taşındığında, slave gücünün belirsiz bir çıkışa sahip olmayacağından emin olmak için bir güvenlik önlemi olarak R43 eklenir.
Her iki kaynak için her iki akım sınırını bağımsız olarak ayarlamanız gerektiğine dikkat edin, ancak ana dengeleyici geçerli sınırlama moduna girerse, bağımlı, ayarından bağımsız olarak örneğini izleyecektir.
0-30 V güç sağlayabilen bir laboratuvar güç kaynağı için çok popüler bir güç kaynağı devresi, bazı Çinli tedarikçilerin PCB de dahil olmak üzere tüm detayları içeren bir kiti yaklaşık 10 $ gibi cazip bir fiyatla piyasaya sürdüğü ilgi çekiciydi. İşte bu ayarlanabilir güç kaynağının orijinal şeması:
Devre kesinlikle iyi, ama çok eski, bu yüzden modernizasyonu yapıldı: LCD ekran eklendi, ekranı kullanan mevcut ayar mekanizması değiştirildi, böylece cihazı test edilen bağlantıya bağlamadan önce mevcut limit modunu ayarlayabilirsiniz. İki dengeleyici bir defada monte edilir, böylece gerektiğinde daha fazla akım elde etmek için paralel olarak bağlanabilir veya ayarlanabilir çift voltaj + 0-30 V / kütle / -0-30 V veya voltaj 0-60 V elde etmek için seri olarak bağlanabilir. bir kaynak diğerini kontrol ettiğinde.
Kit ile birlikte verilen şemanın parça listesi, tüm değişiklik ve ilaveler ile birlikte makalenin sonunda verilmiştir. Bu listeden D7 kullanmayacağız ve D8 60 mA kayması gerektiren 1N4733A 5V1 zener diyodudur. Bu tip Zener diyot BZX55C5V6 veya BZX79C5V6 ile değiştirelim, çünkü iki taraflı akım sadece 5 mA. OU U1, referans voltajını, zener diyodunun voltajı olarak iki kez - 11.2 V olarak ayarlayacaktır. D8 için gerekli 5 mA ofseti ile, R4, 4K7 değil 1K olmalıdır.
Maksimum akımı 1 veya 1,5 A ile sınırlamak gerektiğinden, R18'i yeniden hesaplamak gerekir. Her durumda bu direnç, orijinal tasarımda yanlış değere (56K) sahipti.
Ayrıca voltaj ve akımın dijital göstergesini koymanız gerekir. Çalışma voltaj aralığı 3,5 ile 30 VDC arasındadır. Aşırı gürültüyü önlemek için bu ekranların güç kaynağından elektriksel olarak izole edilmesi gerektiğini lütfen unutmayın. Bir alternatif, bunu önlemek için besleme voltajı devresinde iyi filtrelemedir.
Bu ekranlar büyük akımlarla çalışabilir - iç şönt ile 10 A'ya kadar. Kırmızı kablo, güç kaynağının çıkışına bağlanır ve voltaj ölçme girişidir. Bu cihaz, sarı ve siyah teller arasına bağlanan dahili bir şönt rezistöre sahiptir. Kolaylaştırmak için siyah kabloyu güç kaynağının eksi çıkışına (4) bağlarız ve sarı kablo yeni eksi çıktısı haline gelir.
Gerilimi ve akımı ayarlamak (ayarlamak) için göstergenin arka panelinde iki kesme direnci vardır. Güç kaynağı voltajını doğru bir şekilde ayarlamak için bir referans cihazı kullanın.
- İki tane daha ekleme var. Bunlardan biri, cihazın ana gücünün olduğunu belirten bir LED'in eklenmesidir. Bu yeşil LED, 4K7'lik bir dirençle toprağa 12 V'a bağlanır.
- İkinci ekleme, orijinal güç kaynağının daha fazla kararlılığını sağlamak ve daha yüksek akımlarda dalgalanmayı azaltmak için C1'e paralel, başka bir 3300 uF / 50 V kapasitördür (C12).
Farklı boyutlardaki transformatörleri kullanabilir ve bunları birkaç dengeleyici için kullanabilirsiniz (bipolar BP montajı için).
Güç kaynağıyla yapılan tüm değişikliklerden ve denemelerden sonra, akım limit ayarını gösterecek bir yol eklemek gerekli hale geldi, böylece sabit bir akım / akım limiti ayarlayabilmeniz için güç kaynağı ünitesine küçük bir devre ekledim.
İşte geliştirilmiş bir şema:

Ve bu, kitle birlikte verilen ancak değişiklik ve eklerle birlikte verilen orijinal parça listesidir:
R1 = 2K2 1W 2W
sürümüyle değiştirildi R2 = 82R 2W sürümüyle değiştirildi
R3 = 220R Gerekli değil (LM337 ile değiştirildi)
R4 = 4K7 Değer 1K olarak değiştirildi
R5, R6, R13, R20, R21 = 10K değeri
R7 gerekli değil , R7 = 0, 47R 5W
R8, R11 = 27K
R9, R19 = 2K2
R10 = 270K Değer 1K olarak değiştirildi
R12, R18 = 56K R18 cm Metin
R14 = 1K5 Gerekli değil
R15, R16 = 1K
R17 = 33R Değer 68R olarak değiştirildi
R22 = 3K9 Değer 1K5
RV1 = 100K 10 düzelticiye değiştirildi, 5K 10 döner düzeltici
P1 ile değiştirildi, P2 = 10K doğrusal P1 yerine 10 döner düzeltici verildi
C1 = 3300 μF / 50 V
C2, C3 47 μF / 50 V
C4 = 100 nF
C5 = 220 nF
C6 = 100 pF
C7 = 10 μF / 50 V
C8 = 330 pF
C9 = 100 pF
D1, D2, D3, D4 = 1N5408D5
, D6, D9, D10
= 1N4148 D7, D8 = 1N4733A, Zener diyodu 5V1, D8 = BCX55C5V6, D7 gerekli değil
D11 = 1N4004
Q1 = 2SD9014
Q2 = 2SD882
Q3 = 2SD9015
Q4 = 2SD1047 Gerekli değil
U1, U2, U3 = TL081 3x ile değiştirildi TLE2141
U4 = LM7824 LM7812 ile değiştirildi
D12 = Kırmızı LED
Ek detaylar:
R23, R27 = 4K7
R24 = 1K
R25 = 240R
R26 = 10R
RV2 = 2K
RV3 = 200K veya 250K (isteğe bağlı olarak)
U5 = TLE 2141 yılında
U6 = LM337
C11 = 47 uF / 25 V
, C12 = 3300 uF / 50 V
C 13 = 22 µF / 10 V
D13 = 10 V 1 W
D14 = Yeşil LED
D15 = Kırmızı LED
Volt / Amper Göstergesi
S1 Çift Yönlü Anahtar
S2 Düğmesi
Güç Kaynağı Testleri
Görünüşe göre, ölçülen gürültünün çoğu V / A ölçer ekranından geliyor. Bu göstergede duran nabız kontrol cihazı, güç kaynağına geri çok fazla ses veriyor. Bu sorunları çözmek için, kitin bir parçası olan LM7824'ün kullanımına geri dönelim ve U3, U5 ve Q3 için güç oluşturmak için kullanılan 10 V zener diyotu D10 yerine uygulayalım.
Ekrandaki gürültü sızıntısını gidermek için, gücü azaltmak ve ekranı açmak için D10'u kullanın.
Ayrıca mevcut ekran şöntünü çıkış terminalinden geçerli geribildirim döngüsünün dışına taşıyın. Bu biraz daha fazla gürültüyü azalttı ve ayarlamayı daha doğru hale getirdi. Şönt geri besleme döngüsünün içinde olduğundan, yüksek akımlardaki şönt boyunca voltaj bir hata yarattı. Küçük, çünkü şant sadece 25 mΩ, fakat yine de yaratıyor.
Baskılı devre kartındaki yüksek akımları mümkün olduğunca ortadan kaldırmak için, Q4 ve Q3 kolektörlerini doğrudan D1 ve D2 katotlarının ve filtre kapasitörlerinin C1 ve C2'nin birleştirildiği noktaya bağlarız.
Maksimum çıkış gerilimini (RV2) ve maksimum çıkış akımını (RV3) ayarlamak için ek düzelticiler de kuracağız. Maksimum akım limitini ayarlamak önemlidir. Kondenser C16, gürültüyü ortadan kaldırmak için de kullanılır.
D14 ve D15 LED'leri şimdi 24 V veriyoluna bağlı olduğundan, akım sınırlayıcı dirençleri (R27 ve R23) iki katına çıkmalıdır.
Son olarak, C7 çıkış kapasitörü 10 μF'den 470 μF'ye yükseltilmiştir. İşte en son değişikliklerin yapıldığı son düzen:

Güç açma süresi şimdi yaklaşık 5 msn'dir ve bozulma süresi, maksimum voltajda ve dinamik elektronik yük ile ölçülen akımda yaklaşık 2 msn'nin üzerindedir.
Tüm bu değişikliklerle, çıkış gürültüsü şimdi tüm voltaj ve akım spektrumu boyunca 18 mV'dir ve daha da önemlisi CC / CL modunda bu seviyede kalır.
Ve bir ek ilave daha: paralel bir transistör (2SD1047) takılı ve güç kaynağı daha fazla akıma dayanabilecek şekilde değiştirildi. Daha yüksek akımlarda, onu soğutmak için bir fana da ihtiyacınız vardır, bu yüzden ana devreye de eklendi.
Sonunda monte edilen trafo 3.5 A'da 15-0-15 V'tur. 10 A'da 600 V'luk bir voltajlı diyot köprüsü seçilerek, bir soğutma radyatörü üzerine monte edilebilir. Biraz yedekli, ancak bunun nedeni ana filtre kondansatörlerindeki ani akımlardan kaynaklanıyor. İki 3300 uF bu akımlar için uygun değildir, bu nedenle 63 V gerilimde 2 x 10 000 uF monte edilir.
Çanta bir ana şalter, sigorta ve güç göstergesi ile donatılmıştır. Ayrıca, AC 15-0-15 transformatöründen, anahtarı çeşitli amaçlarla kullanmak için ön paneldeki jaklara da verilir.
Daha sonra, iki dengeleyiciyi birleştirmek için basit ama etkili bir yol bulmayı başardık ve +30 0 -30 V'luk bir voltaj veya +60 V'luk bir güç kaynağı oluşturduk.
Prensip basittir: bir güç kaynağının 0 V çıkışını saniyenin + 0-30 V çıkışına bağlarsanız, aslında +30 0-30 V veya 0-60 V güç kaynağı oluşturabilirsiniz, ancak bu değerleri ayarlamak için her iki voltaj metresini ayarlamanız gerekir, ancak Alternatif voltajlı bir devreyi ölçmek istiyorsanız, bir takip mekanizmasına ihtiyacınız vardır.
İşin püf noktası, diğerinin ayarlarına bağlı olarak bir kaynağın voltaj ayarını yapmaktır. Farklı yöntemlerle yapılan deneylerden sonra, sonunda aşağıdaki şemada durduk:
Anahtar R41, ana cihazdaki voltaj ayarının bağımlı cihazdaki çıkış voltajıyla aynı olacak şekilde ayarlanmalıdır. Düğmeye giden sinyal, 11V2 referans voltajına yakın olacaktır.
Soldan sağa: Q4, Q3 ve LM7812. Q4 ve Q3 izole edilir, LM radyatörü topraklanır, bu yüzden ona ihtiyaç duymaz.
En iyi izleme doğruluğu, her iki güç kaynağı da diyagramda olduğu gibi +/- modunda 30 V olarak ayarlanmışsa elde edilebilir. Daha sonra anahtarı izleme moduna geçirebilir ve köle 30 V okuyana kadar R41'i ayarlayabilirsiniz. İzlemenin 5 V altına düşene kadar (yaklaşık% 1) oldukça doğru olduğunu fark edeceksiniz, daha sonra senkronizasyondan daha fazla çıkacaktır. 1 V'da yaklaşık 200 mV'ye kadar olmalıdır. Bu, her iki işlemsel yükselticinin U2 kazanç doğrusallığındaki farktan kaynaklanıyor olmalıdır. Prensip olarak, bu doğruluk oldukça iyidir.
Ayrıca, master içindeki algılama direnci arasındaki bağlantı slave'e bağlı değilse veya anahtar bir konumdan diğerine taşındığında, slave gücünün belirsiz bir çıkışa sahip olmayacağından emin olmak için bir güvenlik önlemi olarak R43 eklenir.
Her iki kaynak için her iki akım sınırını bağımsız olarak ayarlamanız gerektiğine dikkat edin, ancak ana dengeleyici geçerli sınırlama moduna girerse, bağımlı, ayarından bağımsız olarak örneğini izleyecektir.




